电气控制原理图要怎么变成接线图呢?
出处:网络整理 发布于:2025-09-01 16:57:43
一个复杂的电气控制原理图要怎么才能变成我们需要的接线图呢?想解答这个问题,先要搞清楚的是两种图文之间转换的步骤,如下:
1.绘制接线平面布置图
2. 原理图上编号
3.平面图上填号
4.固定器件、号码联接(安装完毕) 整理号码
了解其中的流程后,我们以正反转电路为例来介绍电气原理图与接线图的转换方法。
一.绘制接线平面布置图
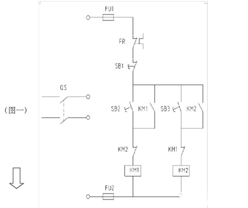
拿到原理图先看上面有哪些器件,设计一下这些器件位置如何安放,根据柜(盘)空间绘制平面布置图,如下面由原理图(图一)到实物布置图(图二)

以(图二)实物视图绘成平面布置图,再在平面布置图上绘出原理图 中所有的元件符号,就形成了我们的接线基图 -接线平面布置图。
绘制符号可按布置图逐个器件依次完成,也可按原理图的顺序完成。
例如下面由图一、图二绘出的接线平面布置图三(实用中直接绘出 图三)。

布置图器件上的元件符号是根据原理图而来, 原理图中未用到的元件 布置图中可以不绘。
注意;布置图元件符号引线与实物的接线端子位置应一致, 如(图三) 线圈引线由上下两端引出。(10A 接触器引线)平面布置图绘好后继续下步聚。
二.原理图上编号
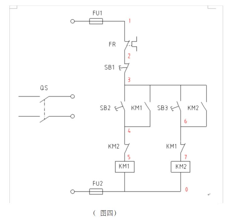
编号由上开始向下进行,每经过一个元件编入一 个号码,如(图四)列 1-5 号,直到本列编完后向右继续编第二 列,第三列,直至编完所有行列,使每个元件两端都有一个号码。编号定则:同一个原理图上每个“编号”只能使用。

三.布置图上填号
将原理图四的号码填入图三所对应的器件上 如 KM1 常开点 3,4 号, 两个线圈的一端都是 0 号。
填号要注意常开 常闭不能弄错。由“填号定则” ①、②推得:元件两端号码的填入, 不论上下、右左、和先后秩序。
号码填好后形成下面的接线图:

四.整理号码
整理号码相对复杂电路而言, 目的是使布置图上相同的号码趋于集中 便于接线,(尽量使“同号”相邻或处于器件的同侧)整理号码根 据”填号定则 ”进行。
填号定则:
1.布置图中一个元件两端号码对调,原电路不变。
2.同一个器件上功能相同的元件,左边与右边号码整对互换原电路 不变。
版权与免责声明
凡本网注明“出处:老太阳集团tcy8722网站电子市场网”的所有作品,版权均属于老太阳集团tcy8722网站电子市场网,转载请必须注明老太阳集团tcy8722网站电子市场网,,违反者本网将追究相关法律责任。
本网转载并注明自其它出处的作品,目的在于传递更多信息,并不代表本网赞同其观点或证实其内容的真实性,不承担此类作品侵权行为的直接责任及连带责任。其他媒体、网站或个人从本网转载时,必须保留本网注明的作品出处,并自负版权等法律责任。
如涉及作品内容、版权等问题,请在作品发表之日起一周内与本网联系,否则视为放弃相关权利。
- 无刷电机内转子和外转子的区别2025/9/5 17:28:53
- 无刷直流电机中反电动势的定义2025/9/4 17:09:16
- 深入探究碳化硅在电机驱动系统中的卓越应用2025/9/1 16:38:08
- 碳化硅在电机驱动领域的应用新格局2025/8/29 16:36:18
- 无铅焊锡和有铅焊锡哪个好用2025/8/25 17:14:43