你知道吗?同样是 USB 接口,有的传文件如飞,有的却慢如蜗牛,这背后藏着 PCB 布局布线的大学问。今天就带大家深入了解 USB2.0、USB3.0 和 Type - C 接口的 PCB 设计奥秘,看完你就明白为啥有的设备总 “掉链子” 了。

先睹为快:USB2.0 与 USB3.0 的差异。USB2.0 和 USB3.0 在传输性能上有着明显差距:USB2.0 传输速率高达 480Mbps,而 USB3.0 的传输带宽能达到 5Gbps,并且引入了全双工数据传输模式。想要搞懂它们的 PCB 设计,先得认识它们的 “身份标识”—— 管脚定义。

从图中能清晰看到,USB3.0 相比 USB2.0,多了 RX -、RX +、TX -、TX + 等高速数据传输相关的管脚,这也是它能实现高速传输的重要基础。
布局是 PCB 设计的基础,这一步没做好,后续再怎么优化都可能事倍功半。
- 接口位置要 “靠边”:USB 接口得靠近板边或按照结构定位放置,除了直插类型,伸出板边一定位置。这就像咱们家里的插座,装在顺手的墙边才方便插拔,接口位置合理了,日常使用才顺畅。在实际的电子设备设计中,合理的接口位置不仅方便用户操作,还能减少线缆的弯曲和缠绕,降低信号干扰的可能性。
- 保护器件 “排好队”:ESD、共模电感器件要紧紧挨着 USB 接口,而且顺序不能乱,得是 ESD 在前,接着是共模电感,才是阻容元件。这就像咱们出门,先穿外套(ESD 防住静电 “寒气”),再戴口罩(共模电感过滤 “杂质” 干扰),拿上钥匙(阻容元件稳定 “状态”),一步都不能错。这种顺序的安排是为了地发挥各个保护器件的作用,有效抑制静电和电磁干扰,保障信号的稳定传输。
- ESD 与 USB 留 “间距”:要注意 ESD 和 USB 之间的距离,得给后焊留有余地。就像摆家具,得留够人走动的空间,不然后续想调整都难。合理的间距可以避免在焊接过程中对 ESD 器件造成损坏,同时也方便进行维修和调试。
- 差分线路 “越短越好”:布局时尽量让差分线路短,缩短距离才能减少信号损耗。这好比两个人传话,距离越近,信息失真就越小。差分线路的长度对信号的衰减和干扰有直接影响,较短的线路可以提高信号的完整性和传输质量。
布线就像给信号 “铺路”,路铺得好不好,直接影响信号传输的速度和稳定性。
- 差分走线有 “规矩”:USB 要走差分线,阻抗控制在 90 欧姆,还要进行包地处理,总长度不超过 1800mil。这就像建高速公路,路面宽度(阻抗)得标准,两边的防护栏(包地)得到位,路程(长度)也不能太长,这样车子(信号)才能跑得又快又稳。严格的阻抗控制和包地处理可以减少信号的反射和串扰,确保信号在传输过程中的稳定性。
- 走线长度 “能短则短”:尤其是高速 USB 差分(RX、TX 差分)的布线,要优先考虑缩短长度,而且尽量减少换层过孔。过孔就像路上的 “坑洼”,会让线路阻抗不连续,少用过孔才能更好地控制阻抗,避免信号反射。如果实在需要打孔换层,得在换层的地方加一对回流地过孔,帮信号 “顺畅掉头”。减少过孔数量和合理设置回流地过孔可以降低信号的损耗和干扰,提高信号的传输性能。
- 保护地与 GND “划清界限”:如果 USB 两边定位柱接的是保护地,分割时要保证它与 GND 的距离是 2MM,而且在保护地区域多打孔,确保充分连接。
清晰展示了外壳 GND(保护地)和信号 GND 的隔离要求,2mm 的间距就像一道 “安全线”,能减少相互干扰。保护地与信号地的有效隔离可以防止干扰信号的耦合,提高系统的抗干扰能力。
- 差分线长 “求匹配”:由于管脚分布、过孔、走线空间等因素,差分线长容易不匹配,这会导致时序偏差、共模干扰,降低信号质量。所以得进行补偿,让线长匹配,长度差通常控制在 5mil 以内。这就像跑步比赛,选手们得在同一起跑线(线长匹配),才能公平竞争(信号稳定传输)。线长匹配可以确保差分信号的同步性,减少信号的失真和干扰。
再看看 USB2.0 与 3.0 在 PCB 布线要求上的具体差异:

从表格能清楚看出,USB3.0 在差分对内时延差、过孔数量等方面的要求比 USB2.0 更严格。比如差分对内时延差,USB2.0 要求 < 20mil,USB3.0 则要求 < 6mil,这也体现了 USB3.0 对高速传输的高标准。
下面两张图分别展示了 USB 2.0 和 USB 3.0 的布局与布线情况,能更直观地感受到它们的设计特点。

USB Type C(USB - C)接口凭借纤薄的设计、 10Gbps 的传输速度和 100W 的电力传输能力,以及双面可插的特点,在各类设备中应用越来越广泛。但要注意,Type - C 只是接口形式,和 USB 版本没关系。
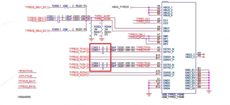
先来看 Type - C 接口的管脚定义:

从图中能看到 Type - C 接口管脚众多,功能丰富,包含了高速数据传输路径、USB 2.0 接口等相关管脚。
Type C 接口的 PCB 设计有这些要点:
- 保护器件 “位置优”:ESD、共模电感器件要靠近 Type C 接口,顺序也是 ESD→共模电感→阻容,同时注意 ESD 和 Type C 的距离,考虑后焊情况,这和前面说的 USB 接口类似,都是为了更好地保护信号。
- 耦合电容 “放得对”:TX 信号线的耦合电容要靠近接口放置,RX 信号线的耦合电容则由设备端提供。

图中展示了 TX 信号线耦合电容的放置位置,靠近接口才能更好地发挥作用。耦合电容的正确放置可以改善信号的传输特性,提高信号的质量。
- 差分走线 “高标准”:阻抗控制在 90ohm±10%,要有良好的参考平面,不跨分割,信号打孔换层不超过 2 个,保证阻抗连续。严格的阻抗控制和参考平面要求可以确保差分信号的稳定传输,减少信号的失真和干扰。
- 差分线 “数量多,要求严”:Type - C 有 RX/TX1 - 2 四组差分信号,两组 D +/D - 差分信号,共六对差分线。这些差分信号线至少要紧邻一个地平面,两边都紧邻地平面更好,走线要尽量短,长不超过 6inchs。多组差分线的存在增加了设计的复杂度,严格的要求是为了保证信号的完整性和传输性能。
- 线长与间距 “有规范”:差分线长要匹配,对内等长误差 < 6mil;对内间距以及与其他信号的间距,建议都大于等于 4 倍 Type C 线宽,减少相互干扰。合理的线长匹配和间距设置可以避免信号之间的串扰,提高系统的可靠性。
- CC 引脚 “要加粗”:CC1/CC2 引脚很关键,负责探测连接、区分正反面、区分主从设备等,走线时要加粗处理,就像给重要的 “指挥线路” 拓宽道路,保证指令畅通。加粗 CC 引脚可以降低线路的电阻,提高信号的驱动能力,确保 CC 信号的可靠传输。
另外,当 Type - C 连接器工作速率≥8Gbps 时,要按照相关连接器优化建议设计处理。

图中展示了 Type - C 连接器布线的相关情况,能帮助我们更好地理解其布线设计。
关键词:USB 接口