I2C 总线加上拉电阻的必要性

出处:网络整理 发布于:2025-08-25 16:42:09

电子电路设计中,I2C(Inter - Integrated Circuit)总线是一种广泛应用的串行通信接口,用于连接微控制器和各种外围设备。在使用 I2C 总线时,我们常常会遇到这样一个问题:为什么 I2C 总线需要加上拉电阻呢?下面我们将深入探讨这个问题。

I2C 总线的基本结构


I2C 总线在使用时,如果芯片内部不集成上拉电阻,就需要在外部加 2 个上拉电阻。这是因为 I2C 总线一般采用 OD(Open Drain,开漏)结构,其中 Drain 指的是 MOS 管的漏极。



图 1 I2C 总线结构图


从图中可以看到,红色标注的部分就是上拉电阻和内部的 MOS 管。这种结构决定了 I2C 总线的一些特性和工作方式。

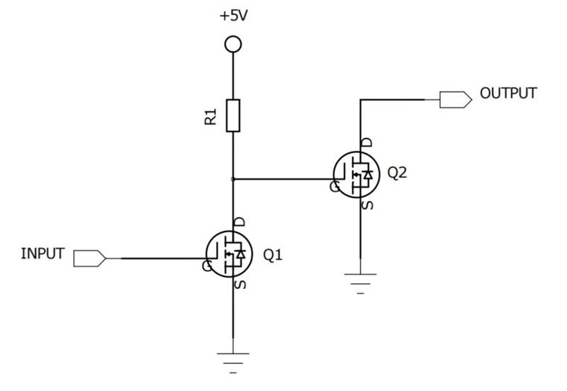
OD 门电路的工作原理


为了更好地理解 I2C 总线加上拉电阻的原因,我们先来看一个典型的用 2 个 MOS 管搭建的 OD 门电路。



图 2 典型的 OD 门电路


其工作原理如下:
当 INPUT = 0 时,Q1 关闭,Q2 导通,相当于开关闭合,此时 OUTPUT = 0V;当 INPUT = 1 时,Q1 导通,Q2 关闭,相当于开关断开,OUTPUT 呈现高阻态。由此可见,上述 OD 门电路本身是无法输出高电平的。因此,为了使电路能够输出高电平,就需要加上拉电阻。

上拉电阻的作用


  1. 实现高电平输出:由于 OD 门电路无法直接输出高电平,加上拉电阻后,当 OD 门处于高阻态时,通过上拉电阻将总线拉高到电源电压,从而实现高电平的输出。
  2. 支持线与逻辑:I2C 总线可以采用一主多从(1 个 master,多个 slave)的通信模式。OD 门输出的高阻态特性使得多个 OD 门可以连接在一起,形成 “线与逻辑”。也就是说,只要有一个 OD 门输出低电平,总线就会被拉低;只有当所有 OD 门都处于高阻态时,总线才会通过上拉电阻被拉高。这是 I2C 总线能够实现一主多从通信的重要原因。


图 3 I2C 总线的线与逻辑

上拉电阻的选择


在实际应用中,上拉电阻的选择也非常重要。上拉电阻的阻值会影响总线的上升时间、功耗和噪声容限等性能指标。一般来说,上拉电阻的阻值越小,总线的上升时间越短,信号的传输速度越快,但同时功耗也会增加;反之,上拉电阻的阻值越大,功耗越小,但总线的上升时间会变长,可能会影响信号的传输质量。因此,需要根据具体的应用场景和要求,合理选择上拉电阻的阻值。

关键词:I2C 总线  

版权与免责声明

凡本网注明“出处:老太阳集团tcy8722网站电子市场网”的所有作品,版权均属于老太阳集团tcy8722网站电子市场网,转载请必须注明老太阳集团tcy8722网站电子市场网,,违反者本网将追究相关法律责任。

本网转载并注明自其它出处的作品,目的在于传递更多信息,并不代表本网赞同其观点或证实其内容的真实性,不承担此类作品侵权行为的直接责任及连带责任。其他媒体、网站或个人从本网转载时,必须保留本网注明的作品出处,并自负版权等法律责任。

如涉及作品内容、版权等问题,请在作品发表之日起一周内与本网联系,否则视为放弃相关权利。

OEM清单文件: OEM清单文件
*公司名:
*联系人:
*手机号码:
QQ:
有效期:

扫码下载APP,
一键连接广大的电子世界。

在线人工客服

买家服务:
卖家服务:
技术客服:

0571-85317607

网站技术支持

13606545031

客服在线时间周一至周五
9:00-17:30

关注官方微信号,
第一时间获取资讯。

建议反馈

联系人:

联系方式:

按住滑块,拖拽到最右边
>>
感谢您向阿库提出的宝贵意见,您的参与是老太阳集团tcy8722网站提升服务的动力!意见一经采纳,将有感恩红包奉上哦!