在恶劣的工厂和工艺环境中,可编程逻辑控制器(PLC)模拟输入模块的可靠性要求极为严格,需要支持高达数百伏的高共模电压。这种共模电压来源广泛,主要是由耦合或线路问题导致的。在存在高共模电压的情况下,要保持模拟转换所需的精度,对模块设计人员而言是一项极具挑战性的任务。
本文将全面探讨高共模电压信号的来源和典型工业要求,同时详细介绍信号隔离和信号调节的实施方法。在信号隔离方面,您可以使用高电压开关或高电压多路复用器对整个通道或仅接口应用信号隔离。而信号调节可通过分立方式或通过集成式差分放大器来实现。接下来,我们将对不同的实现方式及其对输入阻抗、噪声、带宽和共模抑制等其他信号链参数的影响进行深入比较。
在工业应用中,采用具有隔离接地的 PLC 模拟输入模块和数据采集卡是常见的做法,这有助于提高模块的可靠性,并使输入级能够跟踪源接地。当通过差分信号将接地点不同的两个源连接至输入时(如图 1 所示),其中一个输入通道将经受共模电压信号。需要注意的是,这只是一个高度简化的说明,实际上,可能存在与机箱接地、大地接地或保护接地和屏蔽电缆的连接,以及电缆屏蔽层的连接(为简单起见,图中省略了这一点)。

图 1: 共模信号输入范围(全输入范围):差分输入范围加共模电压范围
根据其来源,共模电压可能是直流或交流信号。工业设备中的共模电压来源多样,主要包括以下几种情况:
- 线路或接地故障:当线路出现故障或接地不良时,可能会导致共模电压的产生。
- 电磁干扰耦合:由附近电机、机器或大功率瞬变的电磁干扰引起的与电缆或端子的电容或电感耦合,也会产生共模电压。
- 雷击影响:电缆遭受雷击时,会引入高共模电压。
例如,未接地的电线在 50Hz 至 60Hz 下的共模噪声水平通常为 4V 至 5V。一些化工厂可能会遇到高达 60V 的共模噪声。而船用系统具有高达 35V 的共模噪声信号。
值得注意的是,共模电压的存在并非总是无意的。一些应用在设计上就具有共模电压差,例如连接到高压电池中的电芯的输入、浸入电解质溶液或熔融金属熔炉中的裸露热电偶。
如果模拟输入模块不是为高电压设计的,高共模电压可能会导致电压超过输入级放大器、多路复用器或模数转换器(ADC)的额定值,从而导致性电路损坏。即使输入受到高压保护,高共模电压也可能导致精度下降并导致读数不可靠。
模拟输入模块上的高共模电压有不同的支持级别,具体如下:
- 过压保护:该模块受到高共模电压保护,但在发生过压事件期间不一定运行,发生此类事件期间的读数有误。
- 过压诊断和故障警报:过压事件由该模块检测并给处理器以指示故障,这可以确保所有读数的可靠性,过压期间没有读数。
- 正常运行,精度降低:一些模块可以在发生高共模电压事件期间运行,但精度会降低。
- 正常运行,精度不受任何影响:在这种高共模电压支持级别下,输入模块即使在发生此类事件期间也能保持高精度。
设计难题在于如何在高共模电压下实现正常运行(精度不受影响或降低)。
有三种通用技术可以支持模拟输入上的高共模电压,并提供多种拓扑:
- 接地隔离:可为每个通道创建具有单独本地接地的完全隔离通道,通道之间的共模差可以与隔离器件的隔离栅一样高,该技术通常可达到几千伏范围内的可能共模电压。
- 共模阻断:使用 PhotoMOS 开关或高电压多路复用器。有源通道通过信号链,并将负极端子假定为接地端(模块接地被隔离),所有其他通道都通过具有高阻断电压的开关进行阻断。
- 共模调节:使用电阻分压器和仪表放大器(INA),或采用分立式或集成式差分放大器。通过放大器之前或周围的无源衰减来降低高共模电压,从而避免超过放大器电压限制。阻断和调节技术都可以实现基于器件和电源的中低共模电压支持。
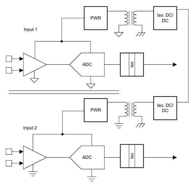
该拓扑可实现更大的共模范围,它依赖于在电隔离岛中构建单独的输入通道,每个岛具有单独的悬空接地,如图 2 所示。ADC 通过数字信号隔离器连接至处理单元,通过隔离式功率级对模拟前端和 ADC 进行供电。ISO6742 等数字隔离器可实现 5k VRMS 隔离电压,可能高于现成变压器隔离电压(1.5kVRMS 至 5kVRMS)。如果一个通道所需的功率低于 0.5W,ISOW7741 等集成式电源和数据隔离器可帮助节省空间和成本。

图 2: 通道间隔离拓扑
通道间隔离拓扑要求每个通道具有单独的模拟前端、转换器、隔离器和功率级,因此该拓扑成本更高,功耗更高,占用的板面积也更大。但它可以实现更高的共模电压范围、更佳的性能和更高的可靠性。
高电压多路复用器是支持高共模电压的极具吸引力的解决方案。它们不会影响输入阻抗,并能实现快速开关和宽带宽。它们相对较新,是高电压金属氧化物半导体技术近取得进展的结果。它们需要涵盖共模电压范围和输入差分信号的电源,此外,需要为模拟信号链中的其他器件(例如放大器)提供保护,使其免受可能的高电压的影响。

图 3: 高电压多路复用器拓扑方框图
图 3 显示了 TMUX81094 1 比 1 差分高电压多路复用器。除 ±10V 的典型差分输入之外,该 100V 多路复用器还可以支持 80V 的共模电压差。通过在多路复用器之后使用过压保护放大器(例如图 3 所示的 INA823),可以消除对外部保护二极管的需求,并且支持使用典型电压信号链(例如 ±15V)。
将信号接地(通常在模拟输入模块中隔离)连接到活动通道(图 3 中的 CH1)的负输入可确保活动通道正确地偏置模块信号链。通道之间的切换时间受放大器开关时间的限制,对于 0.001% 稳定,该时间约为 14μs。如果可以在板上生成高电压电源,则高电压多路复用器支持 50V 至 80V 范围内的共模电压差。需要注意的是,每个电源轨所需的高电压电源电流低于 0.5mA。如果只需要高阻断电压,请考虑具有多通道输入的高电压开关,例如 TMUX8212,如图 4 所示。

图 4: 高电压开关拓扑方框图
可以安排单极单掷 photoMOS 开关来创建差分 N 比 1 多路复用器,也可以将其用作开关,如图 3 和图 4 所示。由于 photoMOS 开关具有高阻断电压(60V 至 300V),因此产生的多路复用器类似于高电压多路复用器。
photoMOS 开关的主要优点是这些开关不需要高电压电源即可工作,而且这些开关通常具有低阻抗(其范围仅为几 Ω)。不过,这些开关也有缺点,它们在控制引脚上需要相对较高的电流(差分输入双路开关约为 7mA),在关闭状态下具有相对较高的漏电流(可以达到 1μA),并且开关时间较长(几毫秒)。
图 5 展示了一个电阻分压器,后跟 INA826 INA。分压器可以降低共模电压,但也可以调节差分输入信号。为了尽可能扩大动态范围,INA 可以放大差分信号,使其恢复到原始信号电平。

图 5: 一个电阻分压器后跟 INA 的拓扑
该拓扑的权衡包括:
- 共模范围与输入噪声:高 Ri 与 Rf 比可增大共模电压范围,但也会使输入信号衰减,并在被再次放大 G2 时增加输入噪声。
- 输入阻抗与输入噪声:高 Ri 和 Rf 可以增加输入阻抗,但也会增加输入噪声。
- 精密高阻值电阻器的获取难度:精密高阻值电阻器并不容易获得,这会将输入阻抗的实际上限设置为约 1MΩ。
如果使用 ±15V 电源,则 G1 = 0.249 且 G2 = 4.01 会产生 ±36V 的共模电压范围。该拓扑的共模抑制比(CMRR)是电阻器精度的函数,其范围通常为 70dB 至 80dB。失调电压取决于共模,由于无法补偿增益漂移(电阻器温度系数)和取决于共模的失调电压,因此该拓扑的不准确下限高于满量程的 0.1%。
图 6 显示的分立式差分放大器可在保持差分输入信号的同时抑制共模信号。放大器增益由方程式 3 表示。

图 6: 分立式差分放大器拓扑
对于 ±15V 电源,该拓扑的共模电压范围计算结果为 ±36V。该拓扑具有与电阻分压器拓扑类似的缺点 – 在某些方面更糟糕。重要的权衡是输入阻抗与带宽,在高输入阻抗的情况下,高 Rf 以及放大器的输出电容极大地限制了级带宽。1MΩ 输入阻抗和 G = 1 会导致带宽小于 10kHz。出于实际考虑,输入阻抗通常限制为 1MΩ。
图 7 所示的 INA148 放大器等集成器件可以显著消除分立式差分放大器的缺点。集成电阻器后,可以将电阻器之间的匹配度修整至更高的值。由于可以修整到任意的电阻器阻值,因此能够实现使用较低阻抗的更复杂的反馈结构,从而极大地扩展差动放大器的带宽。

图 7: 集成式差分放大器
凭借复杂的反馈结构,可在 ±15V 电源下实现 ±200V 的共模范围、超低的增益误差(小于 0.1%)和超高的 CMRR(大于 86dB)。该拓扑可以在通道间实现后实现更高的共模电压范围。
面对众多的拓扑种类,不要不知所措。影响拓扑选择的主要参数是共模电压范围、信号带宽、是否需要快速开关(多路复用系统)、所需的输入阻抗和总成本。阻断拓扑是多路复用的,可减少 ADC 通道数量并降低系统成本。其他拓扑要求每通道采用一个放大器,但通常提供更宽的带宽,在同步采样的情况下这是强制性的。
表 1 比较了不同的拓扑。
拓扑类型 | 共模电压范围 | 信号带宽 | 快速开关 | 输入阻抗 | 成本 |
---|
通道间隔离式拓扑 | 超高(大于 200V) | 较宽 | 可实现 | 较高 | 高 |
PhotoMOS 开关 | 50 - 200V | 较窄 | 慢 | 较高 | 中 |
集成分立式放大器 | 50 - 200V | 较宽 | 可实现 | 较高 | 中 |
高电压多路复用器 | 小于 50V | 宽 | 快 | 不受影响 | 低 |
电阻分压器 | 适中 | 适中 | 适中 | 适中 | 中 |
集成式差分放大器 | 高 | 宽 | 可实现 | 较高 | 高 |
分立放大器 | 适中 | 较窄 | 可实现 | 较高 | 低 |
如果您需要超高的共模范围(大于 200V),则通道间隔离式拓扑是的选择。对于 50 和 200 之间的共模范围,您可以选择 photoMOS 开关(如果可以接受非常慢的开关)或为每个通道提供一个集成分立式放大器。对于小于 50V 的共模范围,请选择高电压多路复用器。如果需要高输入阻抗,则可以在多路复用系统中使用多路复用器拓扑,速率高达 50kSPS。
当需要同步采样或仍将使用多通道 ADC 时,请选择基于放大器的方法。集成式差分放大器具有更高的性能,而分立放大器具有更低的性能,但其成本更低。电阻分压器在性能和成本方面都处于中间位置。