在电子电路设计领域,MOS 管是一种极为常用的电子元件。那么,MOS 管可以并联吗?答案是肯定的。然而,其中存在一个的问题,即可能导致分流不均,进而引发炸管现象。今天,我们就来深入探讨如何安全又高效地并联 MOS 管,以及需要注意的关键点。
原因一:从原理上来说,并联 MOS 管主要是为了增大导通电流,同时降低导通电阻 Rds (on)。Rds (on) 越小,电路的电流传导能力就越强,发热和损耗自然也就更少。在实际应用中,我们常用的方法是将多个 MOS 管并联使用,这样相当于把它们的导通电阻 “并联” 起来,整体的 Rds (on) 就能显著降低。例如,在一些大功率电源电路中,为了满足大电流输出的需求,就会采用多个 MOS 管并联的方式。
原因二:从成本角度考虑。假设我们需要通过的总电流为 400A,此时有两种选择:一种是直接购买一个 400A 的管子,另一种是购买两个 200A 的管子进行并联。从市场价格来看,一个 200A 的管子单价为 4.51 元,两个的成本就是 9.02 元;而一个 400A 的管子成本为 13.9 元。由此可见,选择并联两个 200A 的管子可以节约 4.88 元。虽然单台设备的差价看似不大,但如果进行量产,几千、几万台设备的差价将会被无限放大。而且,这还只是 MOS 管本身的成本,尚未考虑散热和其他方面带来的整体成本下降。
不过,由于世界上没有两个完全相同的 MOS 管,即使是同型号、同批次的 MOS 管,其 Rds (on) 也总会存在差别,这就会导致电流分配不均。
并联 MOS 管有三大关键设计要点:
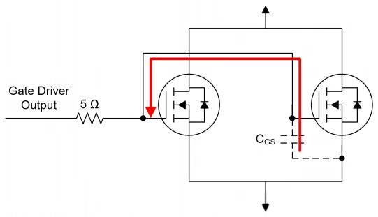
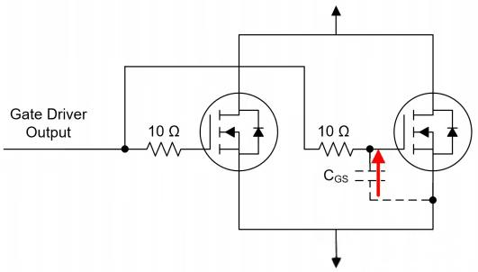
- 给每个 MOS 管配独立栅极电阻
当一个 MOS 管开始导通时,会在源极节点产生快速电压跳变,这个变化可能通过另一个 MOS 管的寄生栅漏极电容进行耦合,在栅极上引起振荡,甚至损坏驱动芯片或 MOS 管本身。为了抑制这种耦合,每个 MOS 管应该在栅极与栅极驱动器的共享连接处之间放置一个单独的电阻器。这样可以防止电压脉冲耦合回输入端,引起振荡甚至损坏器件。需要注意的是,给每个 MOS 管的栅极单独加的小电阻,其阻值一般在 1R 至 47R 之间,阻值太大可能会降低开关效率,这个电阻相当于引入了电压反馈的机制,从而抑制电流不均的现象。

- 栅极布局要点
为了限度降低外部信号耦合对 MOS 管产生不同影响的可能性,应把 MOS 管尽量彼此靠近放置;保持栅极走线一致,直到接近 MOS 管;各栅极走线长度要合理相近(虽没有要求完全一致);栅极电阻放置位置不重要,但建议尽量靠近 MOS 管,以便限制信号在 MOS 管栅极内外耦合的可能性。
- 漏极和源极布局要点
为了尽可能同时开关 MOS 管,应将 MOS 管的漏极和源极的连接尽可能相似;漏极和源极建议使用多边形敷铜而不是走线,尽可能加粗通过大电流的路径,便于电流相对均匀,防止因分流不均引起某个管子发热严重。


此外,还有其他一些注意事项:散热要均匀,大功率的 MOS 管散热一般使用较大的散热器,并联的 MOS 管散热也应尽可能保持一致;可以加 RC 吸收电路,在漏极和源极之间预留一个并联的 RC 吸收电路,减少开关尖峰。
关键词:MOS 管