在当今的数据采集系统中,模数转换器(ADC)扮演着至关重要的角色,广泛应用于温度测量、压力测量、仪器仪表以及工业过程控制系统等多个领域。合适的 ADC 选择对于搭建性能优良的测试系统具有决定性意义。然而,目前市场上多数 ADC 存在集成度不高的问题。在处理小信号测量时,往往需要外加运放或仪放等器件进行信号处理;对于某些激励传感器的驱动,还需要额外添加恒流源,这使得整个系统变得繁杂,不利于多路信号测量。而且,过多的外围器件会引入额外的噪声,难以保证产品的一致性和长期稳定性。而 ADI 公司推出的 AD7124 模数转换器,凭借其高集成度、低噪声、低功耗等显著特点,能够很好地适用于各种精密测试的应用场合。
AD7124 具有一系列独特的优势和特点,使其在众多 ADC 产品中脱颖而出。
- 功耗模式可配置:它可配置为低功耗、中功率、全功率三种功耗模式,电流可低至 125μA。这种灵活的功耗配置能够根据不同的应用场景和需求,合理调整功耗,实现能源的高效利用。
- 高分辨率与低噪声:在所有功率模式下,无噪声分辨率高达 22 位,即噪声小于 1.5μV(增益为 1)。如此高的分辨率和低噪声水平,能够满足绝大多数高精密测试的需求,为测量提供了有力保障。
- 可编程增益:具备可编程增益(1 至 128),可直接输入小信号,外部电路无需加额外器件。这一特性简化了电路设计,降低了成本,同时也提高了系统的可靠性。
- 可编程激励电流:拥有可编程激励电流(档位 50/100/250/500/750/1000μA),可做传感器激励信号。它能够根据不同传感器的需求,提供合适的激励电流,确保传感器的正常工作。
- 片内集成功能:片内集成了偏置电压发生器、基准电压源,还具备开路检测及诊断功能。这些片内集成的功能进一步减少了外部电路的复杂性,提高了系统的稳定性和可靠性。
- 多输入通道:AD7124 - 4 版本支持 4 个差分 / 7 个单端输入,AD7124 - 8 版本支持 8 个差分 / 15 个单端输入。丰富的输入通道能够满足不同应用场景下对多路信号采集的需求。
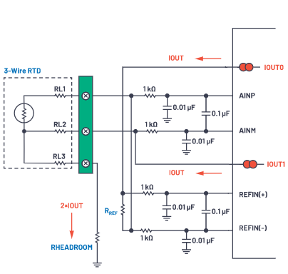
在传统的 RTD 测量中,需要外加激励源,当涉及到多路测量时,还需要用模拟开关进行切换,然后使用运放或仪放做信号的处理,再经过 ADC 进行信号的采集。典型的 RTD 信号链框图如图 1 所示,可以看出,这种典型的多路 RTD 测量电路,外围器件要求较多,增加了设计的复杂度以及电路的不确定性。

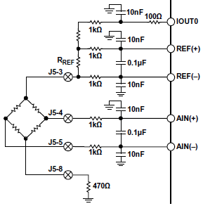
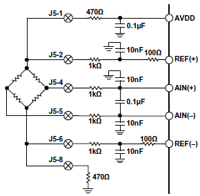
而 AD7124 这款 ADC,它内部集成了激励源、模拟开关以及放大电路,与此同时,它的噪声非常低,可以说是为 RTD 测试量身打造的 ADC。图 2、图 3、图 4 分别展示了不同 RTD 与 AD7124 的接法。



从这些接法与典型接法的对比可以看出,使用 AD7124 用于信号处理的外围器件基本没有了,既降低了产品的研发难度,又减小了产品的尺寸。
除了 RTD 的测量以外,AD7124 也可用于压力传感器的测试。图 5 为连接一个电压激励的压力传感器,图 6 为连接一个电流激励的压力传感器。

无论是电压激励还是电流激励的传感器,使用 AD7124 做设计都不必外加其他器件,因为 AD7124 拥有多个通道,能同时接入多个传感器。除了以上列出的温度压力的测量以外,由于 AD7124 的噪声很低,内部有 PGA(可编程增益放大器),也可用来做小信号的测量、工业过程控制等等。
AD7124 是一款性能优异、功能强大的高精度 ADC。它拥有多种模式供选择,每个输入管脚均可单独配置,提供多种滤波器选项,可针对多种不同应用进行相应的配置和开发,为客户带来了更大的灵活性。从文中的电路图可以看出,与传统的采样电路相比,AD7124 大大缩减了外围的电路,简化了设计,为研发人员的设计提供了极大的便利。