如今,半导体行业的大部分新闻报道和讨论都聚焦于基于碳化硅(SiC)和氮化镓(GaN)等新型宽带隙(WBG)材料的器件。然而,就在几年前,绝缘栅双极晶体管(IGBT)还是许多应用的解决方案。并且,使用 IGBT 的中高功率应用如今依然存在,IGBT 设备本身也在不断发展。在本文中,我们将深入详细地了解 IGBT,然后探讨它们适合的现有和新兴应用。
IGBT 是一种半导体晶体管或半导体开关,由四个交替的半导体材料层(PNPN)构成。当在器件的栅极施加正确的电压时,它能够传导电流;而当该电压被移除时,传导就会停止。自问世以来,IGBT 一直在不断地被磨练和改进,特别是在改善开关损耗以及创建更薄的结构方面取得了显著进展。如今,IGBT 通常将沟槽栅极与场截止结构结合起来,以此作为抑制器件内寄生 NPN 特性的手段。一旦实现这一点,传导损耗和饱和电压就会降低,从而带来诸如增强功率密度等好处。

图 1:场沟道截止 IGBT 结构
IGBT 应用广泛,涵盖了太阳能逆变器、储能系统、不间断电源(UPS)、电机驱动、电动汽车充电器、工业焊接以及家用电器等多个领域。通常,拓扑结构是专门为满足特定应用程序的需求而选择的,因此我们将比较和对比一些流行的应用程序。
考虑到对更高质量焊接的需求,需要更地控制焊接过程。因此,通常使用逆变器而不是典型的焊接变压器,因为直流输出电流可以达到必要的精度。这不仅有利于提高焊接质量,还有一个安全方面的问题,因为直流电通常被认为更安全。从用户角度来看,逆变器比变压器更小、更轻,因此焊机更便携、使用更方便。
在典型的焊机中,单相或三相交流电源经过整流以形成直流总线电压。整流器还为小型转换器供电,产生控制单元所需的电压。直流母线电压为逆变器供电,逆变器通常具有约 30 VDC 的标称输出电压。然而,在使用过程中,在开路负载操作下,电压可能会加倍,并在触发焊接电弧时降至几乎 0V(实际上是短路)。

图 2:典型焊机概述
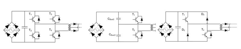
许多不同的拓扑结构都适用于基于逆变器的焊机。然而,常见的包括全桥(FB)、半桥(HB)和双开关正向。在 FB 和 HB 拓扑中,开关频率为数十 kHz,通常在 20 – 50 kHz 范围内。占空比是根据负载水平和输出电压来控制的。就控制方案而言,这通常是恒定电流。

图 3:常见拓扑包括 FB、HB 和双开关正向
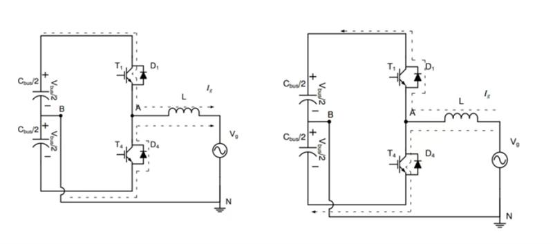
工业电机驱动器是 IGBT 的常见应用之一,可用于机器人、大型机械或许多其他需要运动的应用。大多数电机驱动应用都配置为 HB,频率在 2 kHz 到 15 kHz 之间。由此产生的输出电压取决于开关状态和电流极性。

图 4:显示正负输出电流的半桥拓扑
电机是感性负载,因此电流增加很快。当正电流流动时(Ig >0),高侧晶体管(T1)将导通,向负载(Vg)输送能量。然而,如果负载电流 Ig 沿另一个方向(负极性)流动,则电流通过 D1 流回,将能量返回至直流源。如果低侧晶体管导通(T4 导通)并且高侧晶体管(T1)关闭,则等于 V 总线负一半(-V 总线 / 2)的电压将施加到负载,减少电流。如果 Ig 大于零,则电流流经 D4 将能量返回至总线源。
电磁炉烹饪取代了传统的发热并将热能传递到平底锅 / 锅的电加热元件,它采用激励线圈的原理来迫使或耦合电流在锅底内循环。为了使电磁炉正常工作,锅底必须在物理上靠近线圈,并且只有某些金属是合适的 —— 需要具有高导磁率的材料。该原理类似于常见的电源变压器,线圈为初级,锅底为次级。它与现代感应充电技术也有很多共同点。
加热锅所需的热量来自锅底层的涡流循环,或者更具体地说,来自这些电流流动的阻力。使用电感耦合,大约 90% 的能量被转移以在锅中产生热量。典型的光滑顶部无感炉只能传输大约 70% 的能量,因此损耗减少了三倍。
所使用的拓扑与焊接电路并没有太大不同。主交流电经过整流后驱动逆变器和控制器的小型辅助电源。逆变器将电流感应到铜线圈中,从而产生电磁场,在锅中感应出涡流。产生的热量等于锅底的电阻乘以感应电流的平方 —— 称为 “焦耳效应”。

图 5:典型电磁炉电路概述
与焊机不同,感应炉的控制方案通常是变频方案。虽然这是一种简单的方法,但挑战在于在大范围内控制输出功率所需的频率范围。即使在感应炉所需的高频下,谐振转换器也可以高效率运行。因此,谐振回路转换器通常用于此应用,尤其是谐振半桥(RHB)转换器和准谐振(QR)逆变器。RHB 转换器因其可处理的负载范围广而受到特别重视。通常,采用零电流开关(ZCS)或零电压开关(ZVS)等先进控制技术来确保将功率损耗保持在限度。

图 6:典型 RHB 和 QR 拓扑示例
由于这种拓扑的成本效益,QR 转换器经常用于低功率(低于 2 W 峰值功率)感应炉应用。
在需要快速开关的应用中使用半桥拓扑时存在许多挑战,包括只能有两个输出电压、开关损耗可能很大、驾驶大门可能具有挑战性、元件应力影响可靠性、增加的纹波电流和 EMI 需要大量滤波、与高压直流母线不兼容以及热设计并非小事等。
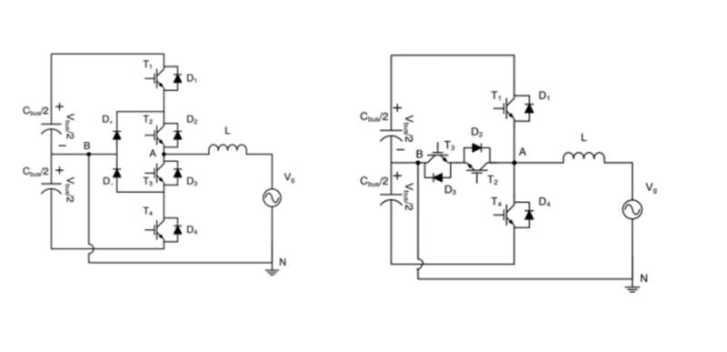
在现代应用中,HB 拓扑正在被不间断电源(UPS)和太阳能光伏(PV)逆变器等关键应用所取代。三电平拓扑正在成为主导 —— 称为 I 型和 T 型。有许多方面需要改进,包括降低有源元件两端的电压,从而降低损耗、减少谐波失真并允许使用更小的元件。重要的是,这些拓扑可显著降低开关损耗,在 16 kHz 至 40 kHz 的高频下进行开关时效率高达 98%。

图 7:I 型和 T 型转换器拓扑与 HB 相比具有许多优势
虽然有些人可能将 IGBT 视为 “传统” 技术,但它在高功率(高电压 / 电流)应用中仍然发挥着重要作用。IGBT 技术不断向前发展,Vcesat 值接近 1 V,并且结构改进提高了密度并降低了损耗。与以往一样,在使用 IGBT 时,设计人员必须充分了解应用需求并选择适当的拓扑以确保结果和性能。